Каталог товаров

Вентилятор радиальный ВРВ исполнения дымоудаления

Вентиляторы серии ВРВ-ДУ для противопожарных систем дымоудаления (ППД-систем) представляют собой радиальные вентиляторы среднего давления с загнутыми вперед лопатками специальной формы с рабочим колесом левого или правого вращения.
СДЕЛАНО В РОВЕН
Описание товара
Характеристики моделей
Купить
Руководства

Описание 

  • Модернизированные радиальные вентиляторы среднего давления с увеличенным выходным фланцем прямоугольной формы
  • Предназначены для удаления возникающих при пожаре газов и одновременного отвода тепла за пределы обслуживаемого помещения в системах противодымной вентиляции
  • Не применимы в помещениях категории А и Б по НПБ 105-03 

Конструктив 

  • Корпус в виде улитки из оцинкованной стали
  • Углы поворота корпуса: 0°, 45°, 90°, 270°, 315°
  • Левое (Л) или правое (Пр) направление вращения рабочего колеса/положение корпуса
  • Тип рабочего колеса «РВ» с загнутыми вперед лопатками
  • Рабочее колесо из углеродистой стали с термостойким покрытием

Двигатель 

  • Трехфазный асинхронный электродвигатель
  • Степень защиты электродвигателя не ниже IP 54 

Условия эксплуатации 

  • Климатическое исполнение по ГОСТ 15150-69: У2 (для эксплуатации под навесом). Допускается эксплуатация в У1 (на открытом воздухе) при комплектации кожухом электродвигателя или двигателем У1
  • Температура окружающей среды от -45°С до +40°С
  • Исполнение (ДУ) дымоудаление
  • Температура перемещаемой среды:
- ДУ400 до +400°С в течение двух часов
- ДУ600 до +600°С в течение двух часов
  • Перемещаемая среда не должна содержать:
- взрывчатые и/или липкие вещества, волокнистые материалы, пыль и другие твердые примеси в концентрации более 100 мг/м3
- пары и газы с агрессивностью к металлам, покрытиям и изоляции выше агрессивности воздуха 

Дополнительная комплектация

ВРВ-ДУ_доп для монтажа.jpg

1 - Вставка гибкая круглая ВГК-ВРН/ВРВ
2 - Вставка гибкая прямоугольная ВГП-ВРН/ВРВ
3 - Клапан вертикального выброса КВВ-ВРН/ВРВ
4 - Кожух ЭД-ВРН/ВРВ
5 - Виброизоляторы 

Дополнительные комплектующие в комплект поставки не входят.

Полная информация о вентиляторах ВРВ-ДУ в электронном pdf-каталоге по ссылке во вкладке "Характеристики".


Файлы
Вентиляторы радиальные ВРВ-ДУ.pdf

Габаритные и присоединительные размеры

ВРВ_О_габариты 1.jpg

Наименование

А2

В max*

В1

D

D1

d

d1

a

а1

h

h1

n

n2

ВРВ-4,0

144

792

232

400

434

9,5

11

513

533

284

304

4

8

ВРВ-5,0

178

1104

271

500

534

11

11

644

673

356

385

4

16

ВРВ-6,3

230,5

1250

349

630

665

11

11

802

831

444

473

4

16

ВРВ-8,0

295

1790

434

800

829

11

11

1010

1039

566

595

4

16

* Максимальный размер по самому большому двигателю в соответствующем типоразмере вентилятора.

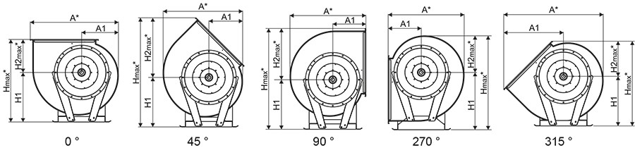
Габаритные и присоединительные размеры вентиляторов в зависимости от положения корпуса ВРВ-ДУ

ВРН_О_габариты 2.jpg

Наименование

А*

А1

H max*

H1

H2 max*

45°

90°

270°

315°

45°

90°

270°

315°

45°

90°

270°

315°

45°

90°

270°

315°

45°

90°

270°

315°

ВРВ-4,0

723

676

643

643

829

303

298

290

290

501

680

891

810

773

768

390

390

390

470

470

290

501

420

303

298

ВРВ-5,0

906

840

790

790

1029

377

369

350

350

621

860

1131

1038

958

949

510

510

510

580

580

350

621

528

378

369

ВРВ-6,3

1136

1038

984

984

1285

476

443

429

429

769

1054

1394

1285

1222

1189

625

625

625

746

746

429

769

660

476

443

ВРВ-8,0

1435

1308

1239

1239

1619

604

554

535

535

965

1331

1767

1633

1497

1448

795

795

795

895

895

536

972

838

602

553

* Максимальный размер при различных положениях корпуса.

Габаритные и присоединительные размеры основания рамы вентиляторов ВРВ-ДУ

ВРВ_О_габариты 3.jpg

Наименование

С

С1

С2

bxl

k

ВРВ-4,0

456

610

127

8х22

90

ВРВ-5,0

586

695

91

11х22

100

ВРВ-6,3

550

830

200

11х22

110

ВРВ-8,0

800

1195/1485*

213

11х22

125

* Размер указан для вентилятора ВРВ-8,0-ДУ-РВ-110,0/1000/380-660.

Технические характеристики

Наименование

N, кВт

n, об/мин

Ток при 380В, А

Габарит электро-двигателя

Масса max, кг

Виброопора тип ЕС (А)

Кол-во

Тип

ВРВ-4,0-ДУ400-РВ-1,1/750/220-380

1,1

680

3,36

90

64,8

4

20*15(A) М6

ВРВ-4,0-ДУ400-РВ-2,2/1000/220-380

2,2

935

5,6

100

74

4

30*25(A) М8

ВРВ-4,0-ДУ400-РВ-7,5/1500/380-660

7,5

1450

15,71

132

113,8

4

30*25(A) М8

ВРВ-5,0-ДУ400-РВ-3,0/750/220-380

3,0

710

8,15

112

132

4

30*15(A) М8

ВРВ-5,0-ДУ400-РВ-7,5/1000/380-660

7,5

970

17,2

132

178

4

30*15(A) М8

ВРВ-5,0-ДУ400-РВ-30,0/1500/380-660

30,0

1470

57,6

180

298

4

40*30(A) М10

ВРВ-6,3-ДУ400-РВ-11,0/750/380-660

11,0

730

26

160

281,3

4

40*30(A) М10

ВРВ-6,3-ДУ400-РВ-30,0/1000/380-660

30,0

980

60

200

427,4

4

50*40(A) М10

ВРВ-8,0-ДУ400-РВ-45,0/750/380-660

45,0

740

94

250

784,4

8

60*40(A) М12

ВРВ-8,0-ДУ400-РВ-110,0/1000/380-660

110,0

985

207

315

1274

8

70*60(A) М10

* Технические и шумовые характеристики ВРВ-ДУ600 соответствуют ВРВ-ДУ400.

ВРВ-ДУ_маркировка.jpg

Шумовые характеристики

Наименование

Уровень звуковой мощности, дБ в октавных полосах частот, Гц

Общий, дБа

125

250

500

1000

2000

4000

8000

ВРВ-4,0-ДУ400-РВ-1,1/750/220-380

75

77

72

71

67

58

54

80

ВРВ-4,0-ДУ400-РВ-2,2/1000/220-380

84

86

87

85

78

74

69

88

ВРВ-4,0-ДУ400-РВ-7,5/1500/380-660

94

96

97

95

88

84

79

98

ВРВ-5,0-ДУ400-РВ-3,0/750/220-380

85

87

88

86

79

79

70

89

ВРВ-5,0-ДУ400-РВ-7,5/1000/380-660

94

96

97

95

88

84

79

98

ВРВ-5,0-ДУ400-РВ-30,0/1500/380-660

104

106

107

105

98

94

89

108

ВРВ-6,3-ДУ400-РВ-11,0/750/380-660

92

95

89

88

84

76

71

98

ВРВ-6,3-ДУ400-РВ-30,0/1000/380-660

100

102

97

96

92

83

79

105

ВРВ-8,0-ДУ400-РВ-45,0/750/380-660

103

105

106

104

97

93

88

107

ВРВ-8,0-ДУ400-РВ-110,0/1000/380-660

111

113

114

112

105

101

96

115

Электрические схемы подключения вентиляторов в сеть 380 В

ВРН-О, ДУ_элсхемы.jpg

* В вентиляторах с номинальным напряжением ∆/Y 380В/660В предусмотрена возможность запуска пониженным напряжением по схеме Y-∆. Для получения более подробной информации по подключению, обратитесь в отдел технической поддержки.


Не представленные в наличии модели доступны к поставке под заказ

Оповестить о поступлении

Спасибо за обращение!
Наш менеджер свяжется с вами.
Руководство по эксплуатации ВРВ.pdf

Всю необходимую информацию также можно получить по телефону «горячей линии»

+ 7 800 200 93 96

или по телефону

+7 800 505 08 67 получить консультацию